气动不锈钢三片式卡箍球阀Q681F气动3片式快装球阀的技术参数
气动不锈钢三片式卡箍球阀Q681F气动三片式快装球阀/气动三片式快接球阀/气动不锈钢三片式卡盘球阀/防爆气动三片式卡箍快装球阀/气动开关型三片式卡箍快装球阀/气动调节型三片式卡箍快装球阀/气动卡箍快装球阀由活塞式气动执行器和三片式快装球阀组成,球阀采用卡箍连接,拆装方便。气动卡箍球阀中间配用螺栓锁定而成。阀球转动90度,就能*开启或关闭阀门。用于截断或接通管路中的介质,阀座采用弹性密封结构,启闭轻松密封可靠。和气动执行机构组合后,能实现快速开闭(配电磁阀和限位开关)或调节流量大小(配阀门定位器)。

特点:
1、卡箍连接拆装方便、适用需要经常清洁的工况下。
2、安装简便,能以任意方向安装于管道中的任意部位。
3、阀体内通道平整光滑,可以输送粘性流体、浆液以及固体颗粒。
4、可配置气动、电动等多种驱动机构,实现远距离控制和自动化操作。
5、由于聚四氟乙烯等材料具有良好的自润滑性,与球体的摩擦损小,故球阀的使用寿命长。

应用领域:
气动卡箍球阀适用于自来水、纯净水、低腐蚀性介质中使用。
标准规范:
设计与制造 | GB/T12224 |
结构长度 | GB/T12237 |
试验和检验 | JB/T9092 |
零部件材料:
零件名称 | 材料名称 | |||
阀体 | WCB | 304(CF8) | 316(CF8M) | 316L(CF3M) |
球体 | 2Cr13+ 氮化处理 | 304 | 316 | 316L |
阀杆 | 2Cr13 | 304 | 316 | 316L |
密封圈 | 聚四氟乙烯 (PTFE) 、增强聚四氟乙烯 (PPL) 、对位聚苯、柔性石墨 | |||
技术参数:
公称通径 | 15 ~ 100mm |
公称压力 | PN1.6 、 2.5 、 4.0MPa |
阀体材质 | 碳钢、 304 、 316 、 316L |
球体材质 | 304/316/316L 不锈钢 |
阀杆材质 | 304/316/316L 不锈钢 |
阀座密封 | PTFE |
温 度 | PTFE≤150℃ |
连接型式 | 卡箍式、快装式 |
适用介质 | 水、气体、油品等 |
特 点 | 密封好、使用寿命长 |
执行器参数:
执行器型号 | GT 、 AT 系列单双作用气动执行器 |
供气压力 | 0.4 ~ 0.7MPa |
气源接口 | G1/4" 、 G1/8" 、 G3/8" 、 G1/2" |
环境温度 | -30 ~ +70℃ |
作用形式 | 单作用执行机构:气关式 (B)-- 失气时阀位开 (FO) ;气开式 (K)-- 失气时阀位关 (FC) 双作用执行机构:气关式 (B)-- 失气时阀位保持 (FL) ;气开式 (K)-- 失气时阀位保持 (FL) |
执行机构:
1、齿轮式双活塞,输出力矩大,体积小。
2、气缸选用铝合金材料,重量轻、外形美观。
3、可在顶部、底部安装手动操作机构。
4、齿条式连接可调节开启角度、额定流量。
5、执行器可选带电讯号反馈指示及各类附件以实现自动化操作。
6、IS05211标准连接为产品的安装更换提供了方便。
7、两端调的节螺钉可使标准产品在0°和90°有±4°的可调范围。确保与阀门的同步精度。

单作用气动执行器和双作用气动执行器的区别:
气动球阀中单作用和双作用指的是气动球阀所配气动执行器可分为单作用和双作用。其区别在于:单作用的气缸内有弹簧,而双作用内没有。因此单作用气动执行器的价格比双作用气动执行器的价格要高。
单作用气动执行器一般分为常开型和常闭型(常开型:通气关,断气开;常闭型:通气开,断气关),也就是说,在安装之前有一个设定,设定其为开或者关,如果是常开的,那就是在通气的情况下气动执行器关闭阀门,如果气源出现故障或者突然停电,单作用气动执行器靠弹簧自动复位为开的状态,也就是说会回到它的设定状态,设定为关,则会回到关的状态,一般在危险的工况中使用较多,比如输送可燃气体或可燃液体,在失去气源又出现紧急情况的时候,单作用气动执行机构能自动复位把危险降低,而双作用就不能复位。
双作用气动执行器在通气的情况下气动执行器打开阀门,当要关闭阀门的时候另外一边通气才能关闭,双作用气动执行器是靠气缸工作复位的,在失去气源的时候只能保持原位。

附件的选项:
根据不同控制和要求可选择下列附件:
切断型附件:单电控电磁阀、双电控电磁阀、限位开关回讯器。
调节型附件:电气定位器、气动定位器、电气转换器。
气源处理附件:空气过滤减压阀、气源处理三联件。
手动机构:HVSD手操机构

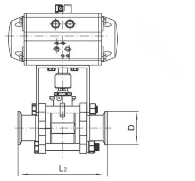
结构图:

外形尺寸:
公称通径 DN | 连接尺寸 | |||||
DN | in | d | L2 | G | Lo | ~H |
15 | 1/2 | 15 | 90 | 1/2 | 141 | 159 |
20 | 3/4 | 20 | 90 | 3/4 | 141 | 167 |
25 | 1 | 25 | 100 | 1 | 141 | 172 |
32 | 1-1/4 | 32 | 110 | 1-1/4 | 159 | 210 |
40 | 1-1/2 | 40 | 125 | 1-1/2 | 211 | 218 |
50 | 2 | 50 | 150 | 2 | 211 | 248 |
65 | 2-1/2 | 65 | 190 | 2-1/2 | 248 | 273 |
80 | 3 | 80 | 220 | 3 | 269 | 313 |
上海乔邑阀门主要生产销售【气动不锈钢三片式卡箍球阀Q681F气动三片式快装球阀/气动三片式快接球阀/气动不锈钢三片式卡盘球阀/防爆气动三片式卡箍快装球阀/气动开关型三片式卡箍快装球阀/气动调节型三片式卡箍快装球阀/气动卡箍快装球阀】,备有大量库存现货以出厂价直销!我们一直秉持“合理价格、贴心服务"的理念,努力为客户提供可靠的产品和完善的售后服务。本文中所有文字、数据、图片仅供参考。







