气动保温球阀BQ641H/PPL/F重油沥青防凝固气动夹套保温法兰开关切断球阀特点
气动保温球阀BQ641H/PPL/F重油沥青防凝固气动夹套保温法兰开关切断球阀/气动保温法兰球阀BQ641H-16C气动保温球阀保温口法兰连接BQ641Y气动夹套保温球阀BQ641PPL气动一体式保温球阀BQ641F气动整体式保温球阀/单作用气动保温球阀/断电失气故障自动复位气动保温球阀/停电断气弹簧自动复位气动保温球阀/气动一体式夹套保温球阀/气动整体式夹套保温球阀/防爆气动保温球阀/气动不锈钢保温球阀/气动带手动保温球阀/气动软密封保温球阀/气动硬密封保温球阀由气动执行器和保温球阀组成,采用了蒸汽或导热油夹套保温。根据用户需要夹套注入蒸汽、导热油、冷却水、冷气等。使整个阀门常温或降温达到所需要的温度。能防止介质结晶。故即使外界温度降到零度以下,球阀仍操作灵活保证管道能断开,其优点是一般控制阀门所没有的。气动保温球阀是重油输送管道理想的控制阀门。

性能特点:
气动保温球阀是采用活塞式气动执行器与夹套保温球阀组成,具有良好的保温保冷特性,且气动保温球阀的通径与管径一致,同时又能有效降低管路中介质热量损失。可配阀门定位器输入控制信号(4-20mADC或1-5VDC)气源即可控制运转。亦可配行程限位开关、电磁阀、三联件及0.4-0.7MPa气源可实现开关操作,并送出二对无源触点信号指示阀门的开关。夹套保温气动球阀主要用于石油、化工、冶金、制药、食品等各类系统中,以输送常温下会凝固的高粘度介质。由于气动保温球阀采用整体式结构,因而夹套保温气动球阀比一般球阀体积更小,重量更轻,且无外漏,密封性能良好,夹套采用碳素钢管焊接比铸造的更加耐压牢固。气动保温球阀具有良好的保温保冷特性,且阀门的通径与管径一致,同时又能有效降低管路中介质热量损失。主要用于石油、化工、冶金、制药、食品等各类系统中,以输送常温下会凝固的高粘度介质。由于采用整体式结构,因而保温球阀比一般球阀体积更小,重量更轻,且无外漏,密封性能良好,夹套采用碳素钢管焊接比铸造的更加耐压牢固。

工作原理:
保温气动球阀BQ641F/PPL/H/Y由气动执行器和保温球阀组成,气缸通过压缩空气驱动气缸活塞,使齿轮齿条机构动作,齿轮输出轴转作,带动球阀阀杆、阀芯转动,实现阀门开关动作。保温球阀和气动执行器与电气阀门定位器配套,输入 4~20mADC信号及0.5~0.7Mpa气源即可控制运转,实现对压力、流量、温度、液位等参数的调节。它是以压缩空气为动力,阀杆带动阀芯在阀体内转动90°,可以实现全开-全闭的动作。该产品按其密封性能分为金属密封与软密封。保温气动球阀具有良好的保温保冷特性,同时又能有效降低管路中介质热量损失。主要用于石油、化工、冶金、制药、食品等各类系统中,以输送常温下会凝固的高粘度介质。

产品特点:
1、由于采用整体式结构,因而保温球阀比一般球阀体积更小,重量更轻,且无外漏,密封性能良好。
2、夹套采用碳素钢管或304管焊接比铸造的更加耐压牢固。
3、整体式夹套设计,更能均匀地保温、保冷。夹套、阀体外侧与夹套接管焊接,允许蒸汽或冷水的高压力为1.0MPa。
4、即使外界温度降到零度以下,该阀仍操作灵活保证管道能断开,其优点是一般控制阀门所没有的。

单作用气动执行器和双作用气动执行器的区别:
单作用气动执行器一般分为常开型和常闭型(常开型:通气关,断气开;常闭型:通气开,断气关),也就是说,在安装之前有一个设定,设定其为开或者关,如果是常开的,那就是在通气的情况下气动执行器关闭阀门,如果气源出现故障或者突然停电,单作用气动执行器靠弹簧自动复位为开的状态,也就是说会回到它的设定状态,设定为关,则会回到关的状态,一般在危险的工况中使用较多,比如输送可燃气体或可燃液体,在失去气源又出现紧急情况的时候,单作用气动执行机构能自动复位把危险降低,而双作用就不能复位。
双作用气动执行器在通气的情况下气动执行器打开阀门,当要关闭阀门的时候另外一边通气才能关闭,双作用气动执行器是靠气缸工作复位的,在失去气源的时候只能保持原位。

技术参数:
公称通径DN(mm) | 15 | 20 | 25 | 32 | 40 | 50 | 65 | 80 | 100 | 125 | 150 | 200 |
额定流量系数KV | 21 | 38 | 72 | 112 | 170 | 273 | 384 | 512 | 940 | 1452 | 2222 | 3589 |
公称压力(MPa) | PN1.6、2.5、4.0、6.4 MPa;ANSI 150、300LB | |||||||||||
阀体形式 | 法兰式:一体式或分体式铸造球阀;对夹式:整体式铸造阀体 | |||||||||||
连接形式 | 法兰式、对夹式 | |||||||||||
阀芯形式 | "O"型球形阀芯 | |||||||||||
泄露量Q | 按GB/T4213-92,小于额定KV0.01% (软密封:零泄露) | |||||||||||
基本误差 | 带定位器:小于全行程的±2% | |||||||||||
回差 | 带定位器:小于全行程的±2% | |||||||||||
可调范围 | 250:1 | 350:1 | ||||||||||
配置执行机构 | GT、AT、AW系列单双作用气动执行器 | |||||||||||
控制方式 | 开关两位控制、4~20mA模拟量信号控制 | |||||||||||
执行器参数:
执行器型号 | GT、AT、AW系列单双作用气动执行器 |
供气压力 | 0.4~0.7MPa |
气源接口 | G1/4"、G1/8"、G3/8"、G1/2" |
环境温度 | -30~+70℃ |
作用形式 | 单作用执行机构:气关式(B)--失气时阀位开(FO);气开式(K)--失气时阀位关(FC) 双作用执行机构:气关式(B)--失气时阀位保持(FL);气开式(K)-- 失气时阀位保持(FL) |
可配附件 | 定位器、电磁阀、空气过滤减压器、保位阀、行程开关、阀位传送器、手轮机构等 |
执行机构:
1、齿轮式双活塞,输出力矩大,体积小。
2、气缸选用铝金材料,重量轻、外形美观。
3、可在顶部、底部安装手动操作机构。
4、齿条式连接可调节开启角度、额定流量。
5、执行器可选带电讯号反馈指示及各类附件以实现自动化操作。
6、IS05211标准连接为产品的安装更换提供了方便。
7、两端调的节螺钉可使标准产品在0°和90°有±4°的可调范围。确保与阀门的同步精度。

技术规范:
设计标准 | ASME B 16.34 GB/T12224 |
结构长度 | ASME B 16.10 GB/T12221 |
连接法兰 | ASME B 16.5、JB/T 79 |
驱动方式 | 手动、电动、气动 |
试验和检验 | JB/T9092 API 598 |
适用介质 | 重油、胶类、滤清等易凝固介质 |
主要零件材料:
序号 | 零件名称 | 材质 | ||
C | P | R | ||
1 | 夹套 | 25 | SUS304 | SUS316/SUS316L |
2 | 阀座 | WCB | SUS304 | SUS316/SUS316L |
3 | 阀体 | 25 | SUS304 | SUS316/SUS316L |
4 | 密封圈 | RPTFE、PTFE、对位聚苯 | ||
5 | 球体 | SUS304 | SUS304 | SUS316/SUS316L |
6 | 阀杆 | 1Cr13 | SUS304 | SUS316/SUS316L |
7 | 填料 | 柔性石墨 、RPTFE、PTFE | ||
8 | 填料压盖 | WCB | SUS304 | SUS316/SUS316L |
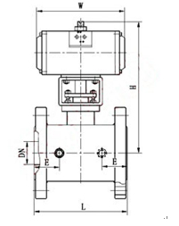
外形结构图:

主要外型尺寸:
公称通径(DN) | L | E | H | W | 管螺纹 | |
(mm) | (in) | P | ||||
20 | 3/4" | 117 | 58.5 | 101 | 170 | G3/4" |
25 | 1" | 127 | 62.5 | 106 | 170 | G3/4" |
40 | 1 1/2" | 165 | 63.5 | 125 | 250 | G3/4" |
50 | 2" | 178 | 68 | 135 | 250 | G3/4" |
80 | 3" | 229 | 82 | 193 | 350 | G3/4" |
100 | 4" | 254 | 83 | 265 | 420 | G3/4" |
150 | 6" | 292 | 95 | 355 | 1000 | G3/4" |
200 | 8" | 330 | 100 | 410 | 1300 | G3 |
附件选项:
根据不同控制和要求可选择下列附件:
回讯器:也叫限位开关,远程反馈开关信号(可选防爆)。
三联件:可对气源稳压、过滤、气缸加润滑油。
手轮机构:转动手轮机构,可实现手动开、关阀。
电气定位器:输入4~20mA信号,实现阀门调节功能。

选型:
1、气动执行器类型:双作用、单作用
2、介质类型、温度、压力
3、所需附件:电磁阀、定位器、信号反馈、气源处理三联件、手动机构
上海乔邑阀门主要生产销售【气动保温球阀BQ641H/PPL/F重油沥青防凝固气动夹套保温法兰开关切断球阀/气动保温法兰球阀BQ641H-16C气动保温球阀保温口法兰连接BQ641Y气动夹套保温球阀BQ641PPL气动一体式保温球阀BQ641F气动整体式保温球阀/单作用气动保温球阀/断电失气故障自动复位气动保温球阀/停电断气弹簧自动复位气动保温球阀/气动一体式夹套保温球阀/气动整体式夹套保温球阀/防爆气动保温球阀/气动不锈钢保温球阀/气动带手动保温球阀/气动软密封保温球阀/气动硬密封保温球阀】,备有大量库存现货以出厂价直销!我们一直秉持“合理价格、贴心服务"的理念,努力为用户提供可靠的产品和完善的售后服务。本文中所有文字、尺寸、数据、图片仅供参考。

























